| 轮盘类铸铁件铸造工艺其实不简单 |
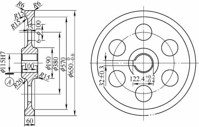
一、轮盘类铸铁件的铸造工艺现状 轮盘类铸铁件是指直径远大于高度的一类铸件。一般中间轴孔加工要求较高,轮毂与轮缘两部分较厚,而辐板处壁较薄,易造成温度不均匀,且温差大。轮毂与轮缘是两个热节区,若铸造工艺不合理,铸件易产生缩孔、缩松及裂纹缺陷。目前,国内大多数厂家生产轮盘类铸件都是采用普通粘土砂造型单件铸造,切线浇口注入,轮毂处采用冒口补缩或与冷铁配合使用的铸造方法。此方法占用场地大,工艺出品率、成品率及生产效率低,铸件表面质量差。 我们接到轮盘类铸铁件-冷床滚盘(5700多件)的生产任务后,要解决的首要问题是铸造工艺的研究,要求该工艺简单,使对铸造不熟悉的工人能够进行操作,要求能减少造型及浇注面积,在现有生产条件下能满足生产需要。在研究铸造工艺的时候又遇到了材质方面的问题,制作的滚盘脆性很大,根本无法用于生产中。通过对铸件的铸造工艺及材质攻关研究了一种新型的轮盘类铸铁件的铸造工艺,生产出了合格的滚盘。 二、主要攻关内容及关键技术 1.材质的攻关 滚盘是冷床设备的关键部件之一,要求表面质量好,耐热性能高,而铸铁件的耐热性能主要取决于其高温抗氧化性(即当铸铁氧化时表面形成的氧化膜是否具有保护作用)及铸铁的生长(即在高温下工作的铸铁件其尺寸发生不可逆膨胀的现象)。这两种性能都与铸铁的化学成分密切相关。而铸铁件的强度及耐冲击性主要取决于合金元素的多少,因此研究铸件的材质就成为很重要的问题。为此我们对材质进行了攻关,对化学成分进行了合理的选择,既提高了铸件的耐热性又保证了铸件的力学性能。滚盘原设计材质为RQTSi5,其化学成分(%)为:wC=2.30%~2.89%,wSi=4. 5%~5.5%,wMn=0.50%~0.77%,wP=0.06%~0.09%,wS=0.062%~0.089%,wCr=0.38%~0.49%。其力学性能如下:抗拉强度140~220MPa,硬度160~270 HBW。最高使用温度为750~900℃。此种材质由于硅含量高,提高了铸铁的脆性转变温度,因此铸件脆性很大,不适宜生产壁厚不均的脆裂敏感件,而滚盘恰属于这种结构的铸件,结果刚开始生产时因材质问题造成了大量废品。另外由于RQTSi5这种材质脆性大,成品率低,目前国内大多数厂家已经不用这种材质制作滚盘。鉴于上述情况,为了避免滚盘的成批报废,保证中厚板工程的顺利开工,试制一种新兴的材质供制作滚盘用成为当务之急。我们通过多次试验、论证,决定采用我们研制的新材质,其化学成分为:wC=3.05%~3.51%,wSi=2.9 %~3.5% , wMn=0.24%~0.56%,wP=0.05%~0.09%,wS=0.010%~0.030%,wMo=0.29%~0.6%。 其力学性能如下:抗拉强度580~695MPa,伸长率8%~18%,硬度210~280 HBW。最高使用温度为750~900℃。由于研制的材质性能好,成品率高,得到了用户的认可。 材质确定后,对材质的配料、球化工艺、孕育剂及孕育工艺、炉前质量控制等进行了攻关,取得了成功,使滚盘的各项力学性能都达到了铸铁车间有史以来的最好水平。 2.熔炼工艺的攻关 化学成分确定后要得到高质量的铁液,必须有合理的熔炼工艺,对于耐热球墨铸铁铸件来说球化处理又尤为重要(即孕育剂及球化工艺的选择)。球化处理好铸件的力学性能也好。我们通过攻关选择了合适的孕育剂,制定了合理的球化工艺,使铁液得到很好的球化处理,既提高了铸件的强度,又提高了其伸长率,效果非常好。 (1)球化剂的选择 球化剂的质量直接影响球化效果,影响铁液及铸件的质量。我们通过多次试验、论证,最后确定球化剂采用ReMg5-8轻稀土,孕育剂采用75SiFe以及独特的能显著提高铸铁强度及伸长率的长效孕育剂。 (2)球化处理 要得到高质量的铸件,孕育剂及球化工艺的选择也很重要。通过攻关我们选择了合适的孕育剂,制定了合理的球化工艺,既提高了铸件的强度,又提高了其伸长率,效果非常好。 球化处理采用堤坝包,必须彻底烘干。各种合金必须预热。堤坝包内加入合金从下到上依次为:轻稀土合金1.8%→孕育剂0.8%→盖铁板或铁末(根据铁水温度)→碱面0.5%。出铁2/3,等反应完毕二次出铁至所需量,并随流加入0.6%的钼铁,0.6%的孕育剂,扒净渣。 3.铸造工艺的攻关 为了创精品工程,我公司对滚盘的表面质量、尺寸公差、加工量都提出了高于国标的要求,而滚盘批量大,工期紧,为了抢进度,车间又只好使用了一些对铸造工艺不熟悉的临时工生产滚盘,这就对滚盘的工艺提出了极高的要求,我们对铸造工艺进行了攻关。 滚盘的结构如图1所示。 |
![]() |
(1)造型工艺研究 从零件结构可以看出,该件轮毂处比较厚,辐板处比较薄。目前,国内大多数厂家生产这种结构的铸件都是采用普通砂型单件铸造,在轮毂处放冒口,采用切线浇口。采用这种工艺,工艺出品率、成品率低,生产效率也低。若采用普通砂型单件铸造,生产5700件滚盘要在要求的时间内完成,每天需要生产滚盘144件,需要砂箱288副,金属型16件,需要足够的造型及浇注面积,而且工艺复杂,对铸造不熟的工人无法操作,满足不了生产要求。为此,我们通过比较选择了金属型树脂砂组芯叠浇工艺,即采用金属型芯盒树脂砂制芯,然后将砂芯落在一起**箱圈进行浇注的方法。采用此种工艺只需8副金属型芯盒即可满足生产的需要。每个直浇道浇注3摞,每摞浇注8件,一块底板同时浇注48件。由于采用共同的浇注系统铸件出品率高,且采用树脂砂造型铸件表面质量好。 (2)工装的设计及制作 工艺确定后,我们对所需的工装进行了设计与制作,如图2所示。 (3)芯砂的配比、混制及砂芯的制作 采用树脂砂组芯叠浇工艺,芯砂的配制是关键。刚开始生产时,由于树脂与固化剂的配比不当,结果砂芯很难从金属型中取出,砂芯的表面质量很差,攻关组的技术人员不分昼夜坚持试验,通过对几种配比的试制最终确定了树脂、固化剂与原砂的配比,制作出了合格的砂芯。 配比:0.45~0.224mm(40/70目)擦洗砂100%,树脂为原砂重量的1.8%~2%,固化剂为树脂量的30%~-50%。 混制:树脂砂的混制采用S2512C混砂机,将所称量的原砂加入混砂机后接着加入固化剂,开机搅拌8~10min,再加入树脂,混碾8~10min,然后出砂。 砂芯的制作:制作前将芯盒内表面擦干净,涂上脱模剂,制芯时舂砂要均匀,修芯时要保证尺寸准确,制好的芯子按顺序编号,用醇基石墨涂料刷两遍,刷涂料点燃后用干布将砂芯表面打磨光洁。 (4)浇注系统的选择 浇注系统的尺寸直接影响到铸件的质量,浇注系统面积过小易形成浇不足、冷隔等缺陷,过大很难从铸件上清理下来。该铸件材质为球墨铸铁件,我们在刚开始生产时采用在轴头处开设4个内浇道,结果因清理浇口造成滚盘报废的情况时有发生。后来我们根据铸件的形状和重量,通过试验选择了合理的浇注系统,生产出合格的铸件。我们充分利用了其石墨化膨胀具有自补缩的特点采用了无冒口补缩的铸造方法,只在每件滚盘轴头处开设两个80mm×40mm的扁浇口。这种浇注系统不仅节约了铁液,而且减少了清理浇冒口的工时,铸件表面质量也好。 (5)叠浇滚盘数量的确定 采用叠浇工艺,每次浇注铸件的数量直接影响到铸件的质量。浇注数量太多铸件容易因补缩不好易形成缩孔,浇注数量太少,劳动生产率及工艺出品率太低。攻关组人员在开始试制时为了保证质量,每摞只浇注6件,随着生产经验的不断积累,根据我们的精心计算,我们现在每摞浇注达到8件,每3摞一个直浇道,结果既保证了铸件质量,又提高了劳动生产率。 (6)浇注温度的选择 浇注温度过高铸件易形成气孔、缩孔等缺陷,浇注温度过低易形成浇不足,表面出现铁豆等缺陷,我们通过试验规定了合理的浇注温度为1280~1300℃,制作出合格的铸件。 (7)打箱时间的控制 打箱过早铸件易变形,过晚影响后面的浇注。我们根据铸件的尺寸及数量规定了打时间为6h。 通过上述工艺的制定和控制,我们研制出了合格的滚盘 三、质量检测 为了保证生产的滚盘质量,我们制定了严格的检测制度:对每件滚盘都规定必须附铸检测用的试块,对试块的力学性能、金相组织、化学成分进行100%检验,不合格的坚决不出厂。 我们研制的滚盘的金相组织、化学成分、力学性能如下。 (1)金相组织为铁素体,石墨形态为球状,球化级别为3级。 (2)化学成分(任抽出3组)如表1所示。 (3)力学性能如表2所示。 四、生产效果 (1)采用金属型树脂砂组芯多组叠浇工艺研制的滚盘强度高,表面质量好,其各项性能远超过原设计材质,满足了用户的需要。 (2)采用的该工艺后,砂铁比仅为1.5:1,远低于国内先进工艺水平的砂铁比(3~4.5):1,节约大量的树脂砂。 (3)该工艺操作简单,并使质量有了保证。铸铁车间在使用大量不熟练操作工的情况下同样生产出了高质量的滚盘。 (4)生产率提高两倍以上,不但节省了人工工时,还节省了大量砂箱费用。 (5)由于多组多件滚盘采用共同的浇注系统且不需加冒口,铸件出品率高达95%,远高于普通工艺方法的70%左右的工艺出品率。由于浇注系统截面积小,只需轻轻锤击即可完成清理,**减少了切割铸件浇冒口的工时。 我公司生产的滚盘在中厚板厂投入生产使用以来,运行情况良好,工作平稳正常,没有出现因滚盘质量而造成冷床划伤、碰伤钢板、钢板跑偏等现象,提高了生产效率,保证了我厂生产的正常运行,创造了良好的经济效益。 五、结语 通过对滚盘材质及铸造工艺的攻关,我们按期保质保量地完成了滚盘的铸造任务,为我公司中厚板工程的顺利开工打下了基础。由于此种工艺效率高,铸件表面质量好。 |
| 【 返回列表 】 |


